Bản vẽ Biệt thự 3 tầng 11.7x12.8m (Hồ sơ thiết kế kỹ thuật thi công full kiến trúc, kết cấu, điện nước)

[Mã file 174313]
  1 Đánh giá    Viết đánh giá
 0      208      0
Phí tải: 100 Xu (1Xu = 1.000đ)
Danh mục
Thể loại
Nhóm file
Ngày đăng
05-10-2025
Loại file
Full file
Dung lượng
6,9 MB
File đã kiểm thử
File chất lượng
File đầy đủ và chi tiết

Biệt thự 3 tầng đẹp 11.7x12.8m với đầy đủ công năng, không gian hiện đại sang trọng. Hồ sơ thiết kế kỹ thuật thi công Full Kiến trúc, kết cấu, điện nước. File Autocad và file PDF.


MÔ TẢ CHI TIẾT

Hồ sơ thiết kế bao gồm:

1. Phần Kiến trúc (Bản vẽ thiết kế chi tiết thi công);

2. Phần Kết cấu (Bản vẽ thiết kế chi tiết thi công);

3. Phần cấp điện, cấp thoát nước (Bản vẽ thiết kế chi tiết thi công).

 

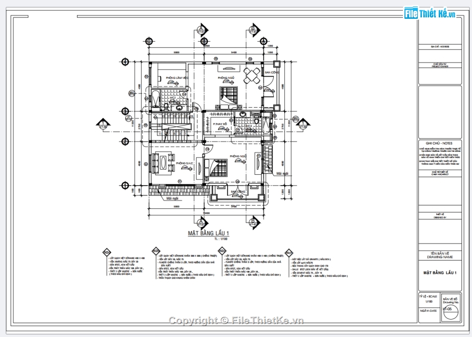
Quy mô công trình 3 tầng:

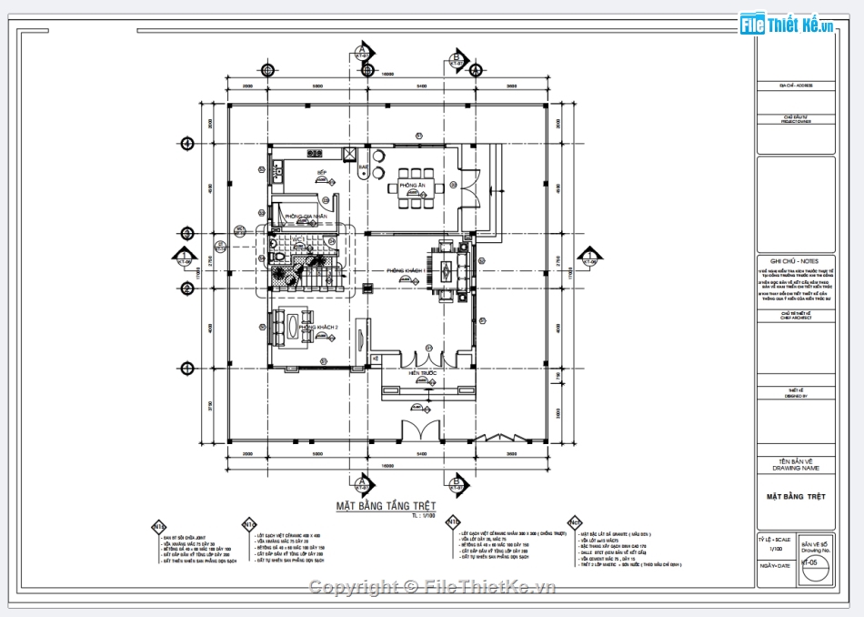
Tầng 1: Phòng khách lớn, phòng khách nhỏ, phòng bếp ăn, phòng gia nhân

Tầng 2: Phòng ngủ master, 1 phòng ngủ, phòng sinh hoạt chung

Tầng 3: 2 phòng ngủ, phòng đọc sách, phòng thờ

 

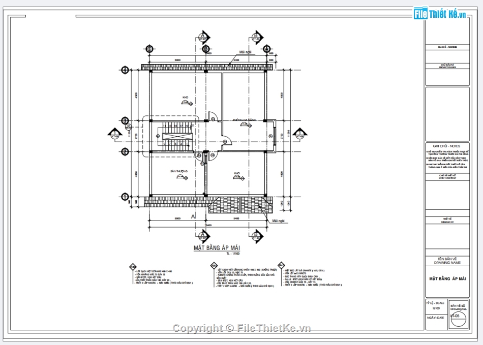
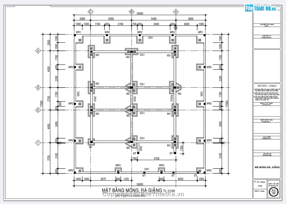
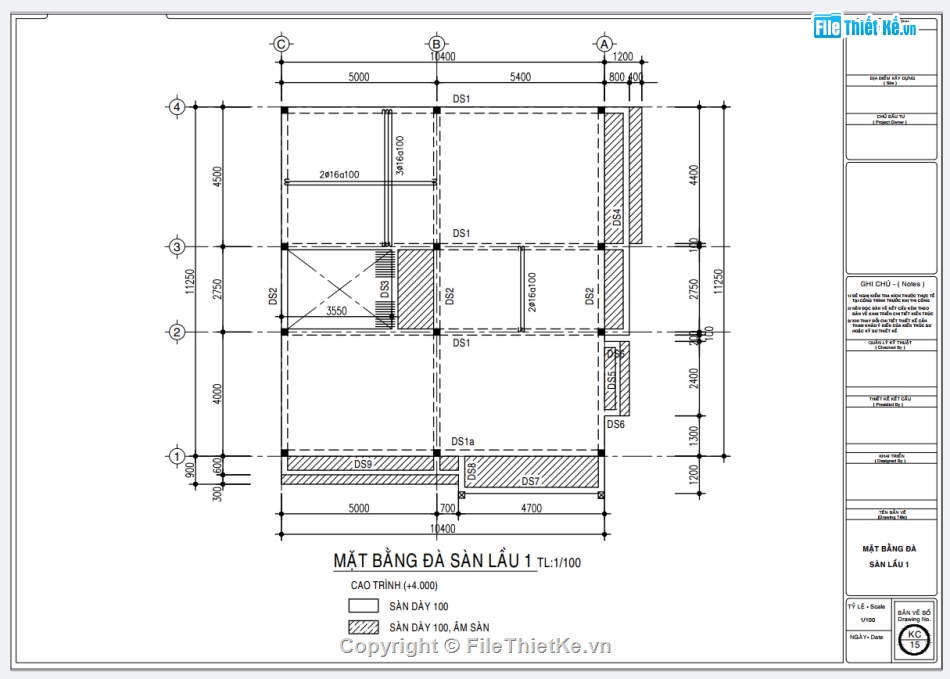
HÌNH ẢNH DEMO

biệt thự 3 tầng,kiến trúc biệt thự,biệt thự hiện đại

biệt thự 3 tầng,kiến trúc biệt thự,biệt thự hiện đại

biệt thự 3 tầng,kiến trúc biệt thự,biệt thự hiện đại

biệt thự 3 tầng,kiến trúc biệt thự,biệt thự hiện đại

biệt thự 3 tầng,kiến trúc biệt thự,biệt thự hiện đại

biệt thự 3 tầng,kiến trúc biệt thự,biệt thự hiện đại

biệt thự 3 tầng,kiến trúc biệt thự,biệt thự hiện đại

biệt thự 3 tầng,kiến trúc biệt thự,biệt thự hiện đại

biệt thự 3 tầng,kiến trúc biệt thự,biệt thự hiện đại

biệt thự 3 tầng,kiến trúc biệt thự,biệt thự hiện đại

Nguồn: Filethietke.vn



LINK DOWNLOAD

BIỆT THỰ 3 TẦNG 11,7x12,8m.rar [6,9 MB]

File đã được kiểm thử
     Báo vi phạm bản quyền
Pass giải nén (Nếu có):
filethietke.vn
DOWNLOAD
(100 Xu)
Bạn có bản vẽ hay
ĐĂNG BÁN NGAY


BÌNH LUẬN



ĐÁNH GIÁ


ĐIỂM TRUNG BÌNH

5
1 Đánh giá
File rất tốt (1)
File tốt (0)
File rất hay (0)
File hay (0)
Bình thường (0)
Thành viên
Nội dung đánh giá
03:03 - 5/10/2025
File rất tốt
File rất tốt và phù hợp để tham khảo

 HỖ TRỢ TRỰC TUYẾN